RAMEF 2950 FR
The RAMEF 2950 FR is Rapanelli’s automatic discharge centrifugal separator designed for continuous olive oil clarification, residual oil recovery, and liquid-liquid-solid separation in demanding mill environments. Built on over a century of separation expertise, it combines stable mechanical performance, programmable solids discharge, and product-contact surfaces in high-grade stainless steel to deliver clean oil, consistent throughput, and reduced operator intervention.
Whether installed as a single unit for small-to-medium olive mills or in a double configuration for higher-capacity lines, the 2950 FR is engineered for mills that need dependable clarification performance across the full production cycle.
Designed for Continuous Mill Operation
Clarification quality is only part of the equation. In real production conditions, a separator must also maintain stability, simplify operation, and minimize downtime. The RAMEF 2950 FR is built around these requirements, with a vertical disk bowl operating at 6,200 rpm, a sturdy compact frame, integrated feed and discharge systems, and a hydraulic solids discharge unit programmable at defined intervals.
The result is a separator suited to mills that need continuous processing, repeatable performance, and a machine architecture designed for long service life rather than short replacement cycles.
What this decanter is engineered to do
A decanter centrifuge separates olive paste into phases by centrifugal force, enabling continuous operation during harvest. The critical variables are throughput stability, separation consistency, mechanical reliability, and serviceability under peak-season stress.
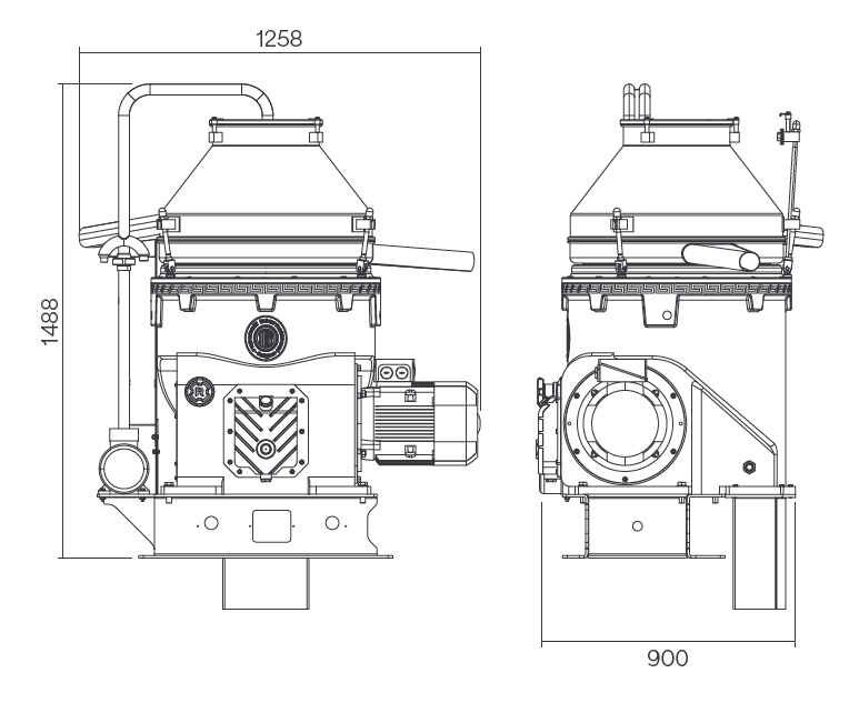
Decanter models and machine dimensions
Below are the published overall dimensions (Quota A/B/C) and installed motor power by model.
Available Configurations
Overall dimensions and motor power (by model)
Configurability for Different Mill Requirements
The RAMEF 2950 FR can be configured to suit different operating preferences and process layouts. Available options include conical or cylindrical bowl geometry, clutch drive or inverter drive, automated programmable washing cycles, and an optional timed discharge system with solenoid valves and PLC control panel.
This flexibility makes the machine suitable not only for standard clarification duties, but also for mills that require tighter control of automation, washing, and discharge logic
Engineering Highlights
The engineering layout of the 2950 FR focuses on stability, hygiene, and ease of integration into continuous extraction lines. Key technical features include:
- compact main frame with horizontal drive, clutch, brake, and helical gear reducer
- vertical disk bowl mounted on the main shaft for stable operation
- hydraulic solids discharge programmable at selected intervals
- integrated liquid feed and discharge system
- product-contact surfaces in high-grade stainless steel, AISI 316 or equivalent
- computerised control panel available on request
Every machine is supplied with control panel, dedicated tool kit, calibration disk set, safety microswitch, and water tank. Optional accessories include PLC command board and automatic pre-set discharge cycle system with solenoid valves.
Why Mills Choose the RAMEF 2950 FR
The value of this separator is not just in clarification performance, but in process reliability.
Cleaner oil means fewer impurities and more stable product quality. Efficient recovery from vegetation water helps reduce avoidable product loss. Programmable discharge cycles and optional PLC integration reduce manual workload. The mechanical construction philosophy is based on durability and maintainability, not planned obsolescence.
For mills evaluating total value rather than purchase price alone, these factors matter more than isolated headline specifications. They affect uptime, operator workload, and long-term return on the machine.
Long-Term Serviceability
Rapanelli states that it provides technical service, refurbishing, and original spare parts support for machines manufactured since 1960. That long service philosophy is highly relevant on a product page because it changes the buying logic: the machine is not positioned as a short-cycle asset, but as a separator intended to retain operational and commercial value over time.
RAMEF 2950 FR Main Applications
The RAMEF 2950 FR is designed for:
olive oil clarification
residual oil recovery from vegetation water
liquid-liquid-solid separation where phases of different density must be separated with automatic solids discharge
For olive mills, this means cleaner oil, improved process continuity, and efficient handling of solids without interrupting the line.
How the Separation Process Works
Product enters from the top of the bowl and is accelerated through a distributor to ensure smooth, controlled flow into the disk stack. Inside the bowl, centrifugal force separates the phases according to density. The lighter oil phase migrates toward the center and is extracted through dedicated channels, while water and solids move outward. Solids are then ejected automatically at programmable intervals through a hydraulic discharge system.
This operating principle allows the machine to maintain continuous clarification with limited manual intervention and consistent output quality across the production run.
FAQs
Are These Decanters Available In Multiple Configurations?
Yes. The range includes multiple models and variants (including ARP versions) so the selection can match your operating needs and footprint.
What Technical Data Do You Need To Recommend A Model?
Your target throughput range, paste characteristics, available floor space, upstream feeding stability, downstream separation setup, and service constraints.
Can You Help Us Validate Layout Constraints Before Purchase?
Yes. Use the dimension tables above as a starting point, then we confirm installation clearances and service access during sizing.
CAN TRACTORS AND WATER PUMPS BE SUPPLIED AS PART OF THE SAME PROJECT?
Yes. Many agricultural projects require both mechanization and water management infrastructure. Rapanelli supports integrated projects that combine machinery, pumping systems, logistics, and technical coordination.
Request a quote and technical sizing
If you want a decanter that performs under harvest pressure, the fastest path is a sizing request.

